LED節能燈的驅動電源電路圖
LED電源電路大多是由開關電源電路+反饋電路這樣的形式構成,反饋電路從負載處取樣后對開關電路進行脈沖的占空比調整或頻率調整,以達到控制開關電路輸出的目的。

LED手電筒驅動電路原理圖
市場上出現一種廉價的LED手電筒,這種手電前端為5~8個高亮度發光管,使用1~2節電池。由于使用超高亮度發光管的原因,發光效率很高,工作電流比較小,實測使用一節五號電池5頭電筒, 電流只有100mA左右。非常省電。如果使用大容量充電電池,可以連續使用十幾個小時,筆者就買了一個。從前端拆開后,根據實物繪制了電路圖,如圖所示。

LED手電筒驅動電路
工作原理:
接通電源后,VT1因R1接負極,而c1兩端電壓不能突變。VT1(b)極電位低于e極,VT1導通,VT2(b)極有電流流入,VT2也導通,電流從電源正極經L、VT2(c)極到e極,流回電源負極,電源對L充電,L儲存能量,L上的自感電動勢為左正右負。經c1的反饋作用,VT1基極電位比發射極電位更低,VT1進入深度飽和狀態,同時VT2也進入深度飽和狀態,即Ib>Ic/β(β為放大倍數)。隨著電源對c1的充電,C1兩端電壓逐漸升高,即VTI(b)極電位逐漸上升,Ib1逐漸減小, 當Ib1<=Ic1/β時,VT1退出飽和區,VT2也退出飽和區,對L的充電電流減小。此時.L上的自感電動勢變為左負右正,經c1反饋作用。VT1基極電位進一步上升,VT1迅速截止,VT2也截止,L上儲存的能量釋放,發光管上的電源電壓加到L上產生了自感電動勢,達到升壓的目的。此電壓足以使LED發光。
LED節能燈電路原理電路圖

LED節能燈電路原理電路圖
8W LED 驅動應用電路示電圖(輸入電壓為85 至264V)
下圖顯示的是NCP1015 在隔離型1 W-8 W 范圍AC-DC LED 照明應用的電路示意圖。值得一提的是,NCP1015 同樣可用于非隔離型(電路中不含高頻變壓器)1 W-8 W 范圍的AC-DC LED 照明應用,電路中可以采用抽頭(tapped)電感來提高MOSFET 工作的占空比,并改善系統能效及電路性能。

8W LED 驅動應用電路示電圖(輸入電壓為85 至264V)
常見雙管節能燈電路原理圖

雙管節能燈電路原理圖
采用可控硅的電容降壓LED驅動電路圖
圖所示為采用可控硅的電容降壓驅動電路。在該電路中,可控硅SCR和R3組成保護電路,當流過LED的電流大于設定值時,SCR導通一定的角度,從而對電路中的電流進行分流,使LED工作于恒流狀態,從而避兔LED因瞬間高壓而損壞。

圖 采用可控硅的電容降壓LED驅動電路
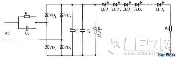
采用壓敏電阻的電容降壓LED驅動電路圖
圖所示為一個實用的采用電容降壓的LED驅動電路9,該電路與目前大部分應用電路的不同之處在于連接有壓敏電阻(也可以是瞬變電壓抑制 二極管),壓敏電阻(或瞬變電壓抑制二極管)能在電壓突變的瞬闊(如雷電、大用電設各啟動等)有效地將突變電流泄放,從而保護LED和其 他晶體管。瞬變電壓抑制器的響應時間一般為納秒級。

圖 電容降壓的 LED電路
在圖中,電容C1的作用是降壓和限流;VD1~VD4的作用是整流,用于將交流電整VD1~VD4可選擇1N4007系列的整流二極管。C2、C3的作用為濾 波,用于將整流后的脈動直流電壓濾波成平穩的直流電壓。C2、C3的耐壓應根據負載電壓而定,一般為負載電壓1.2倍,其電容容量視負載電流的大小而定。壓敏電阻Rv(或瞬變電壓抑制二極管)的作用是將輸入電源中瞬間的脈沖高壓對地泄放掉,從而保護LED不被瞬間高壓擊穿。
LED串聯的數量視其正向導通電壓(VF)而定,在220V交流電路中最多可以達到80個左右。電容的耐壓一般要求大于輸入電源電壓的峰值,在220V/50Hz的交流電路中,可以選擇耐壓為400V以上的滌綸電容或紙介質電容。
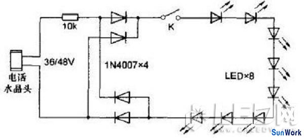
電話線供電LED燈電路圖
又稱免電燈(即網上賣家俗稱的緬甸燈),因為它采用普通家用固定電話的進線電壓做電源,無需電池或交流市電,把尾部的水晶頭插入電話分機接口即可照明,不用另交電費,也不用擔心停電。此外還能兼作電話來電閃爍燈.提醒聽力不太好的老年人及時接電話,因電話摘機后LED燈會熄滅,還能幫你及時發現電話是否被他人盜打,同時也具有一定的防雷擊保護作用。不過由于該產品使用的是電話所屬的電信機房饋電電源,使用時一旦索取電流過大難免會影響電話撥打和傳真收發,特別是ADSL寬帶用戶撥號上網時容易造成頻繁掉線。圖1是電話線LED燈電路工作原理圖,36V或48V的電話線路直流電壓經10kΩ限流電阻并由4個二極管(或整流橋)作極性變換后加在LED上,當電話饋電電壓為36V時,實測工作電流約1.2mA,亮度偏低,把限流電阻換成5.6kΩ時工作電流升為2.1mA:亮度稍微有些增加。

考慮到電話線LED燈對上網存在不利影響,不能經常接在電話線上,筆者又對該燈進行了一番改造,改造后的電路原理圖如圖2所示,把中間的6顆LED改成并聯,同時增加一塊3.6V的手機鋰離子電池,平時使用內置的新增鋰電工作,當限流電阻為5.6Ω時,工作電流約120mA,亮度比較令人滿意。緊急情況下仍可采用插入電話分機接口照明,改造后的工作電流約4.6mA,亮度還算說得過去。

自帶鉛酸蓄電池充電LED應急燈電路圖
根據實物畫出的電路工作原理圖如圖所示,220V交流市電經電容降壓、二極管整流后給鉛酸蓄電池充電,紅色LED作充電指示。充好電后使用時閉合按鈕開關K,將首先接通3顆彩色閃爍LED,發出夢幻般變化莫測的七彩光芒,在夜間平添一些生活樂趣,再按一下開關K則關閉彩色閃爍LED,接著再按才會接通24顆并聯的高亮LED,由于數目較多,照明效果很好。
當鉛酸電池電壓為4V時,實測彩燈工作電流約60mA,高亮LED電流竟達600多mA。這樣大的電流不僅使得每次充滿電后照明時間不會太長,而且會對電池內部結構造成損傷,縮短使用壽命,因此必須給高亮LED串入一個小阻值限流電阻,經多次試驗選定1.2Ω時工作電流最終降為320mA,而亮度變化不太明顯,因該款燈改動不大,改造后的電路原理圖省略。

通過以上剖析發現,市場上出售的各種LED燈電路大多過于簡單,雖說價格十分便宜,但在客觀上仍會造成能源浪費,只有經過一番合理改進,才能既保留它經濟便攜的優點,又有效地提高使用安全性和可靠性。
白光LED1.5V手電筒電路圖
白光LED的發光效率高,正在成為新光源。由于白光LED的點亮電壓較高,大約3.5V,要用三節電池才能點亮,體積大。筆者制作了一個微型升壓電路,用一節5號電池升壓,即可點亮LED,夜晚照出光可達10米遠。整個電路裝在一節5號電池的小電筒里,非常方便實用,電路如附圖所示。

附圖中升壓變壓器可用節能燈的磁環,用Φ0.21MM的漆包線雙線并繞20T,注意同名端不要接錯,LED根據需要接1-3只,調整R1使LED最亮,總電流在100MA以內。
照度計電路圖
照度計電路圖如下所示:

LED日光燈驅動電路圖

圖:LED日光燈驅動電路圖
LED要恒流供電,不然容易老化損壞。可以用LM317,原理是利用317的啟探控電壓不變,再除電阻,就是恒流值。電路如下圖。燈可以根據需求接多少個。改變R1可改變電流,電流=1.25/R1。
















